Farebná hudba mini LED – stavebnica
Kód: 4326
Cez 3000 výdajných miest
po celom Slovensku
.png?68d54177)
Osobný odber zadarmo
Vyzdvihnite si tovar u nás a ušetrite
.png?68a7825e)
Doprava zdarma nad 35 €
Pri nákupe nad 35 € neplatíte za dopravu
Súvisiaci tovar
Podrobný popis
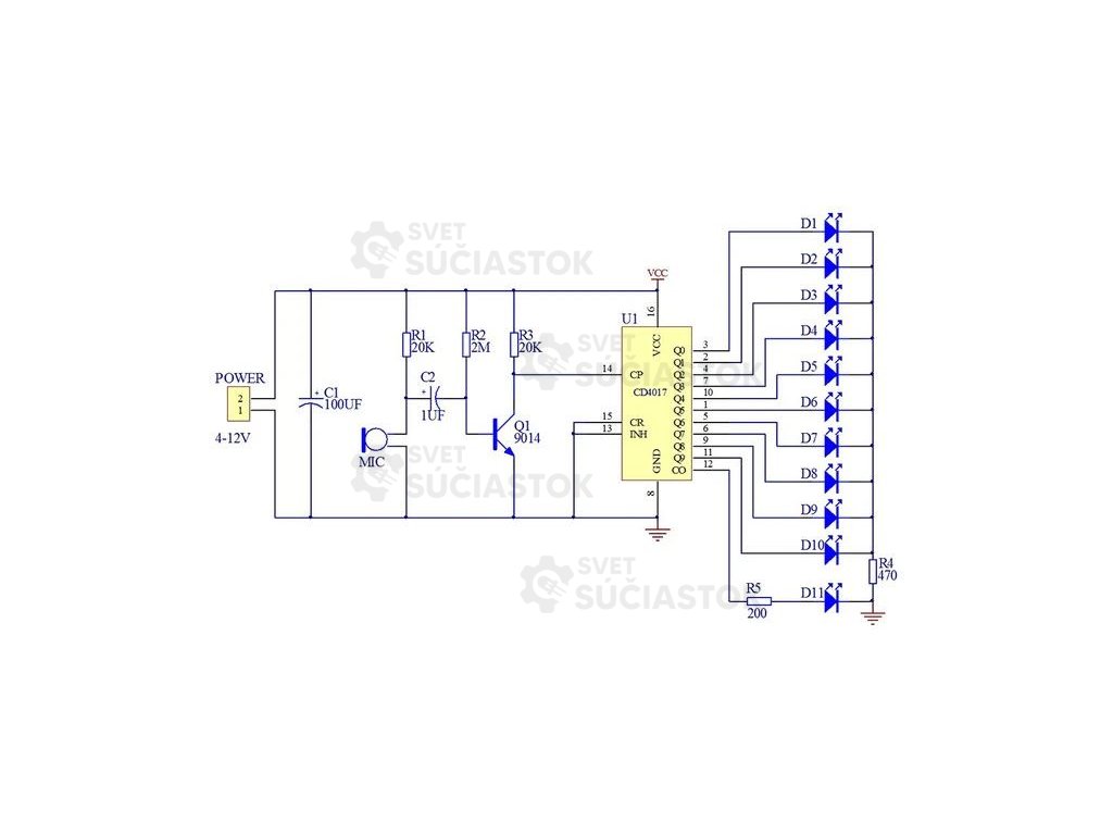
Farebná hudba mini LED – stavebnica
Jednoduchá elektronická stavebnica s LED diódami, ktorá reaguje na zvuk z mikrofónu a postupne rozsvecuje jednotlivé LED, čím vytvára efekt bežiaceho svetla. Vhodná na učenie spájkovania aj základov elektroniky.
Vlastnosti:
- reaguje na zvuk (mikrofón)
- postupné rozsvecovanie LED
- obvod CD4017
- napájanie 4–12 V
- vhodné pre začiatočníkov
Diskusia
Buďte prvý, kto napíše príspevok k tejto položke.
